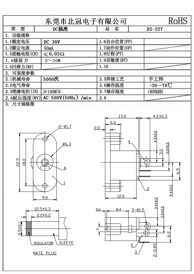
產品名稱:DS-227
Typical Specifications
1. Rating : DC 30V 0.5A
2. Contact Resistance : 70ΩMax
3.Lnsulation Resistance: DC500V 1Minute
4.Operating Temperature Range: -25℃+80℃
5.Ambient Humidity Used: ≤85%RH
6. Operating Force : 3-20N
7. Operating Life : 5,000Cycles
|