400-688-9031
東莞市北冠電子有限公司
電話:0769-85877070 82097000
傳真:0769-85878377
地址:東莞市塘廈鎮第一工業區
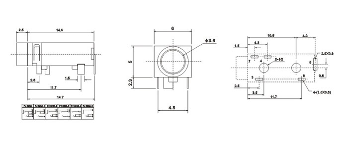
產品名稱:PJ-328A
品名:3.5耳機插座 耳機插座技術參數: 1.額定負荷:0.5A 30V DC 2.按觸電阻:100 mΩ max. 3.使用溫度:-20℃~70℃ 4.插拔力:3-20N 5.使用壽命:5,000cycles 耳機插座主要組成部件: 1.塑膠底座 2.磷銅或鈹銅簧片
使用溫度范圍
-20-70℃
耐壓
AC250V(50Hz)/min
額定負荷
DC 30V 0.5A
動作力
3~20N
接觸電阻
≤0.05Ω
壽命
5000次
絕緣電阻
≥100MΩ
輕觸開關
按鍵開關
微動開關
微型撥動開關
船型開關
USB插座
2.5間距電池連接器
耳機插座
DC插座
DONGGUAN CITY CROWN ELECTRONICS CO.;LTD2016 東莞市北冠電子有限公司 版權所有 粵ICP備15112504號-1