400-688-9031
東莞市北冠電子有限公司
電話:0769-85877070 82097000
傳真:0769-85878377
地址:東莞市塘廈鎮第一工業區
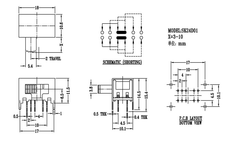
產品名稱:SK24D01
輕觸開關
按鍵開關
微動開關
微型撥動開關
船型開關
USB插座
2.5間距電池連接器
耳機插座
DC插座
DONGGUAN CITY CROWN ELECTRONICS CO.;LTD2016 東莞市北冠電子有限公司 版權所有 粵ICP備15112504號-1